Fenêtre Bois-Aluminium
batimet TA35 FVNG
Demandez votre échantillon architectural personnel : Échantillon gratuit
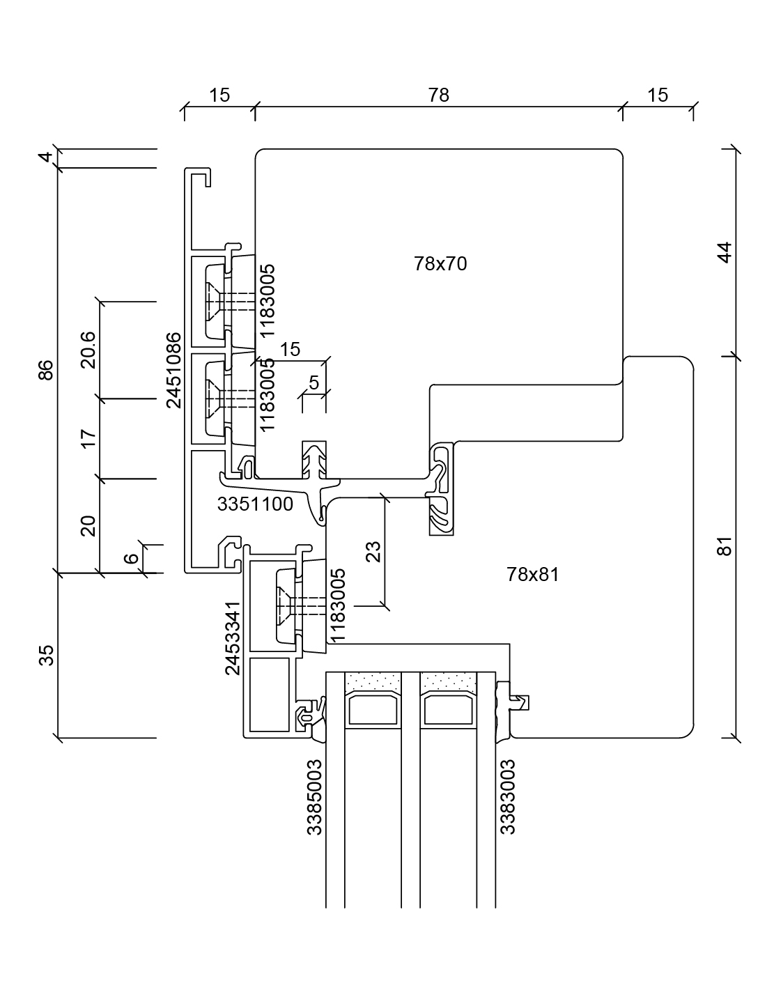
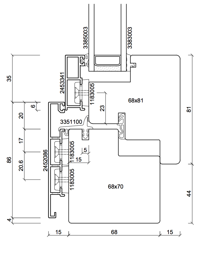
Le dormant et l’ouvrant forment deux niveaux différents. Entre le vitrage et l’ouvrant se trouve une distance de 18 mm. La section apparente de l’ouvrant est de 35 mm et est à 90°. Pour des exigences statiques spécifiques, le profilé de l’ouvrant peut être élargi. L’évacuation de la feuillure est faite par des poinçonnements cachés sous la traverse basse du dormant. En option peut être ajoutée une évacuation visible avec un capuchon de protection.
- Hauteur du vantail jusqu’à 3 000 mm
- Largeur du vantail jusqu’à 1 600 mm
- Poids du vantail en oscillo-battant jusqu’à 200 kg
- Poids du vantail à la française jusqu’à 300 kg
Les raccords d’angles du cadre aluminium sont soudés sans feuillure visible. Le revêtement est conforme aux normes de qualité des éléments de construction en aluminium de GSB-International (GSB AL 631), ou les normes QUALICOAT.
Très bon coefficient Uw
Valeur Uw ≥ 0,72 W/m²K
Types de bois
Epicéa, pin, sapin, mélèze, chêne, hemlock, douglas
Surfaces
RAL, NCS, DB, aluminium anodisé, métallique, résistant aux intempéries, résistant à l’eau salée
Raccords d’angle
Raccords d’angle sans feuillures visibles, anticorrosif durable
| DIN EN 12207 | Perméabilité à l'air: Classe 4 |
| DIN EN 12208 | Étanchéité à l'eau: Classe E950 |
| DIN EN 12210 | Charge de vent: Classe C4 |
| DIN EN ISO 10077-2 | Uw ≥ 0,74 W/m²K |
| DIN EN ISO 717-1 | Isolation acoustique: Rwp = 46 dB |
| DIN EN 1627 | Effet anti-effraction: RC1N, RC2N, RC2 |
| DIN 18008-4 | TRAV Sécurité antichute: Catégorie A, B, C |





