Fenêtre Bois-Aluminium
batimet TA35 SLVB
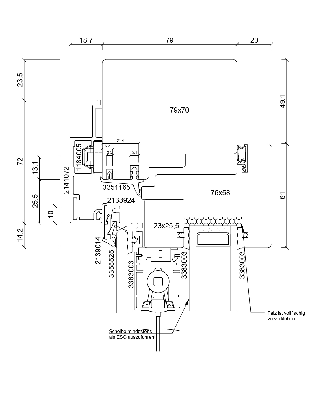
Le dormant cache l’ouvrant dans la mesure où depuis le vitrage fixe ou l’élément ouvrant on retrouve la même vue extérieure du cadre. Le point fort de ce système : la construction du dormant comporte une vue extérieure très fine de 50 mm. Entre le vitrage et l’ouvrant se trouve une distance de 8 mm. La construction est définie comme un ouvrant intégral. Pour des exigences statiques spécifiques, le profilé de l’ouvrant peut être élargi. L’évacuation de la feuillure est faite par des poinçonnements cachés sous la traverse du dormant. En option peut être ajoutée une évacuation visible avec un capuchon de protection.
- Hauteur du vantail jusqu’à 3 000 mm
- Largeur du vantail jusqu’à 1 600 mm
- Poids du vantail en oscillo-battant jusqu’à 200 kg
- Poids du vantail à la française jusqu’à 300 kg
Les raccords d’angles du cadre aluminium sont soudés sans feuillure visible. Le revêtement est conforme aux normes de qualité des éléments de construction en aluminium de GSB-International (GSB AL 631), ou les normes QUALICOAT.
Très bon coefficient Uw
Valeur Uw ≥ 0,69 W/m²K
Types de bois
Epicéa, pin, sapin, mélèze, chêne, hemlock, douglas
Surfaces
RAL, NCS, DB, aluminium anodisé, métallique, résistant aux intempéries, résistant à l’eau salée
Raccords d’angle
Raccords d’angle sans feuillures visibles, anticorrosif durable
| DIN EN 12207 | Perméabilité à l'air: Classe 4 |
| DIN EN 12208 | Étanchéité à l'eau: Classe E1200 |
| DIN EN 12210 | Charge de vent: Classe C4 |
| DIN EN ISO 10077-2 | Uw ≥ 0,69 W/m²K |
| DIN EN ISO 717-1 | Isolation acoustique: Rwp = 48 dB |
| DIN EN 1627 | Effet anti-effraction: RC1N, RC2N, RC2, RC3 |
| DIN 18008-4 | TRAV Sécurité antichute: Catégorie A, B, C |



